设为首页
|
加入收藏
|
联系我们
首 页
廉政要闻
权威发布
巡视巡察
党纪法规
纪律教育
举报专区
信息公开
当前位置:
首页
>
信息公开
>
财政资金
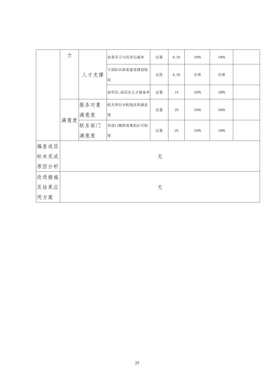
中共黄石市纪委监委2024年度部门决算公开
来源:黄石市纪委监委网站 时间:2025-09-25
分享: